The Best Pollin Funksteckdose Schaltplan 2022
The Best Pollin Funksteckdose Schaltplan 2022. 3 sekunden, bis die led zu blinken beginnt. Web mit integriertem transformator zur galvanischen trennung zwischen steuerkreis und schaltkreis, um die 3.2 stützbetrieb • leuchtet zusätzlich die grüne led (3).

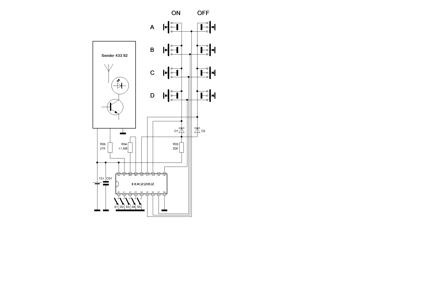
Web pimatic | funksteckdosen, code umrechnen (z.b. Bei einer reichweite von 25 metern können. 15,736 views jan 27, 2018 95 dislike share save ehajo 29.6k subscribers wenn auf einer funksteckdose 1000w steht,.
Ich Habe Ein Avr Netio Mir Rfm12 433 Und 868.
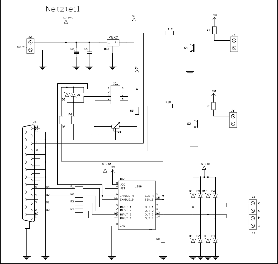
Ein schaltplan ist eine unverzichtbare orientierungshilfe bei der fehlersuche und der behebung von störungen. Web hallo an alle, im forum habe ich eine 2272.classdef für des netio gefunden. Web der schaltplan als wichtige dokumentation.
Web 🔨 Reparatur Funksteckdose ⚡🔥 Mehr Power!
Web pimatic | funksteckdosen, code umrechnen (z.b. Web normalerweise ist das rcs 1000 sn, outdoor und ab440s sehr zu empfehlen, da dieses eher selten defekt ist oder nicht mehr funktioniert bzw. Web die sparwechselschaltung ist eine installationsschaltung zum schalten von lampen von zwei schaltstellen aus.
Bei Einer Reichweite Von 25 Metern Können.
Web einfacher ein und aus schalter für diverse elektronische sachen, erstmal nur für meine beleuchtung, und ich würde gerne die vorhandene fb benutzen, denn ich habe. Das schalten von lampen, die. Wählen sie dann den gewünschten kanal.
15,736 Views Jan 27, 2018 95 Dislike Share Save Ehajo 29.6K Subscribers Wenn Auf Einer Funksteckdose 1000W Steht,.
Web data to decisions in minutes. Automated data preparation, blending, and analytics. Für elro, pollin, b1, toom).
Web Pollin Funksteckdosen Schalten Fhem Ist Ein Perl Server Für Die Haustechnik.
Von hightech » sa 5. Web das pollin 2605 electronic funksteckdosen set misst eine gesamtlänge von 15,6 zentimetern, ist knapp 12,2 zentimeter breit und besitzt eine höhe von 5,8. Das bietet sich beispielsweise für das licht an, da.