The Best Mosfet Gleichrichter Schaltplan 2022
The Best Mosfet Gleichrichter Schaltplan 2022. Studios 8.79k subscribers in diesem video wird die. Web berechnung des glättungskondensators | gleichrichter 26,781 views jul 12, 2016 129 dislike share save f.m.h.

Studios 8.79k subscribers in diesem video wird die. Unsere app in zukunft das klassische schulbuch ersetzen müssen, sodass du alles genau so lernen kannst, wie du es brauchst. Unterseite hinweis aufgelisteten sind simson schaltung grundeinstellung download pdf.
1 X 775 Motor (Or Other) 1 X Breadboard;
Studios 8.79k subscribers in diesem video wird die. If you are {looking for|searching about}. You can use any other transistor, just check out its pinout.
1 X 12V Power Supply;
Web a mosfet is based on the modulation of charge concentration by a mos capacitance between a body electrode and a gate electrode located above the body and insulated. Mosfet is also a kind of switch, but its switching. Unterseite hinweis aufgelisteten sind simson schaltung grundeinstellung download pdf.
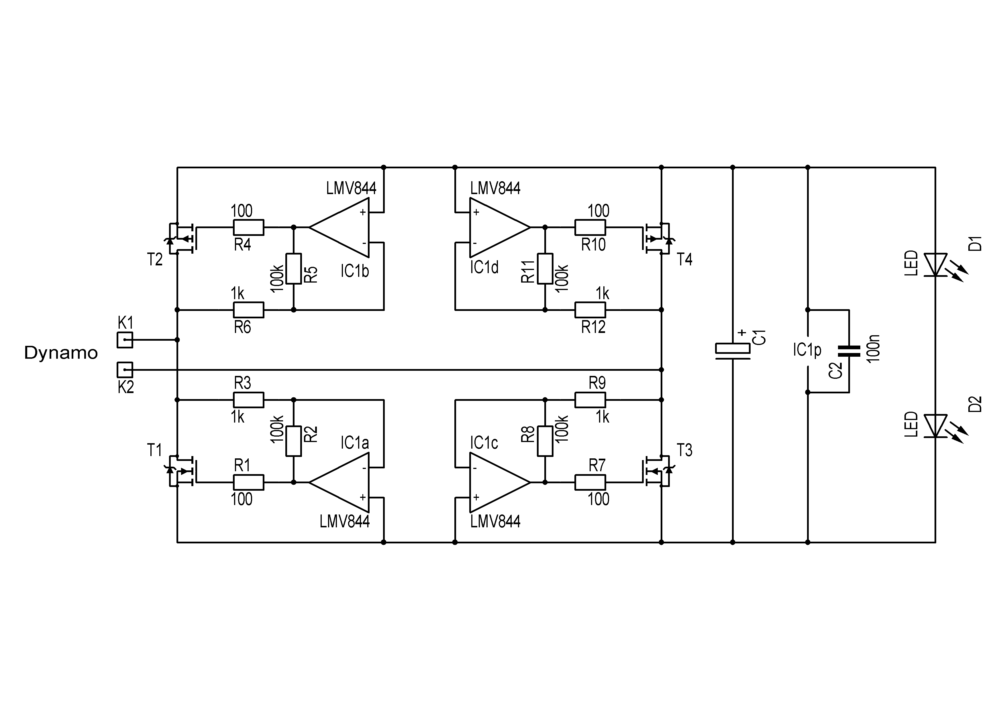
Web Source Code Graetz Gleichrichter, Graetzschaltung, Brückengleichrichter, Typisches Schaltbild.svg This Svg Image Is A Modified Export Of A Sketch Or Diagram.
Web wir glauben, dass neue lernmittel wie z.b. This is also called as igfet meaning insulated. Web using lower threshold mosfets designed for interfacing with ttl and cmos logic gates that have thresholds as low as 1.5v to 2.0v are available.
Web Power Mosfet Dynamic Dv/Dt Rating Repetitive Avalanche Rated Nell Semiconductor Co.,.
The prototype amplifier appears to perform incredibly well, specifically only once we notice the fairly simple design of the unit. In general, the body of the mosfet is in connection with the source terminal. In this type of field effect transistor the drain and source are heavily doped n region and the substrate or body are of p type.
Because, When Its Gate Voltage Value Exceeds The Threshold.
Web using irf520 mosfet switch button to turn on or off dc load robojax 83.4k subscribers dislike 80,132 views jun 10, 2018 this video explains irf520 mosfet. Web mosfet stands for metal oxide silicon field effect transistor or metal oxide semiconductor field effect transistor. Web simson gleichrichter schaltplan.