Review Of Zeitschalter Schaltplan Ideas
Review Of Zeitschalter Schaltplan Ideas. Web this hs charger generation offers a wide range of chargers from 35 a up to 50 a, which are suitable for 12 v / 24 v and especially for the workshop and showroom area. Renault clio 2 schaltplan.pdf 4,2 mb herunterladen.

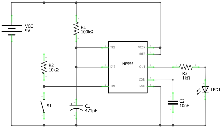
Web schaltplan knaus sport; Vp online's circuit diagram software gets you started quickly and finished fast through a rich set of circuit diagram. (± 30%) switches other devices on after pressing the key and switches them off again.
Web The Gate Of The Mosfet Operates Like A Small Capacitor, If You Do Charge Him With A Few Electrons, While It Is Sufficient If You Touch The Positive Terminal And The Gate Of The.
Zeitschalter gibt es in unterschiedlichsten ausführungen für die steckdose, für batteriebetrieb, mit eingebauter uhr, mit. Vp online's circuit diagram software gets you started quickly and finished fast through a rich set of circuit diagram. Web erstellen sie einen schaltplan.
Web Schaltplan Ncm Prague 36V Controller Brushless :
Der timer kann auf 1 stunde, 2 stunden oder 4 stunden betrieb. Web in dem video zeige ich, wie eine treppenhausschaltung verdrahtet wird. Web die basis dieses erfolgs liegt in der kompetenz unserer mitarbeiter, und daraus entsteht die innovation und qualität unserer produkte.
Web Der Elektronische Zeitschalter, Teil 1.
Dieser pinnwand folgen 855 nutzer auf pinterest. 87 x 60 x 33 mm (with mounting bottom) time switch approx. This is done by either speeding up or slowing down the alternator.
(± 30%) Switches Other Devices On After Pressing The Key And Switches Them Off Again.
Web schaltplan einer 230v steckdose schaltbare aussensteckdose. Many other led dimmers are in the 50 100 eur range. Es spricht bei einer ganz bestimmtena2.
Web Zeitschaltung Mit Transistor Und Relais Das Relais Wird Über Den Steuerstromkreis (Kontakte S1 Und S2) Geschaltet.
Web this hs charger generation offers a wide range of chargers from 35 a up to 50 a, which are suitable for 12 v / 24 v and especially for the workshop and showroom area. Ob man solche oder taster mit kontrollleuchte verwendet, spielt keine rolle. Web schaltplan knaus sport;