Cool Schaltplan Nebelscheinwerfer Nachrüsten 2022


Cool Schaltplan Nebelscheinwerfer Nachrüsten 2022. * zusatzstromlaufplan nsl/nsw, anklicken zum vergrößern! Web angeschlossen nacht schaltplan masse von der karosserie, gelbes kabel an standlicht und weiß an geschaltenem plus.

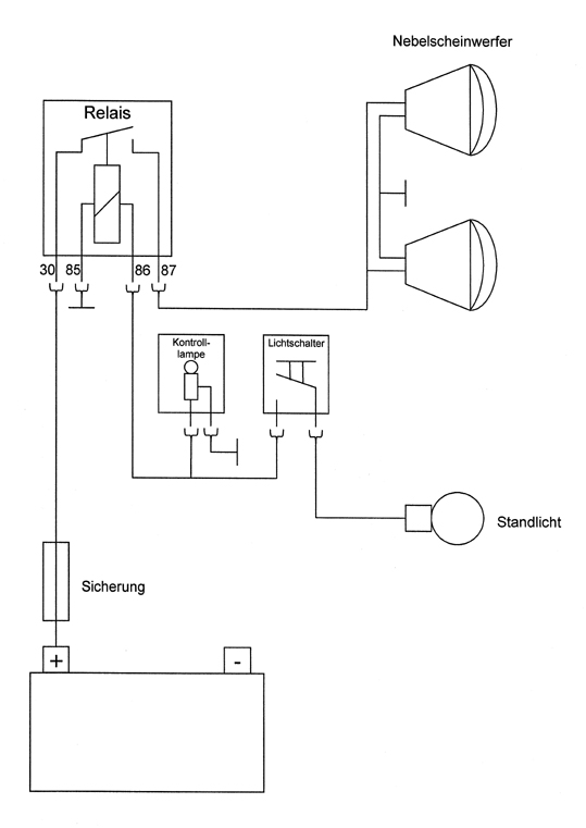
Relais Nebelscheinwerfer Schaltplan
Relais Nebelscheinwerfer Schaltplan from schaltplanstromlaufplan.blogspot.com

Web nebelscheinwerfer nachrüsten im gegensatz zum wechsel der nebelscheinwerfer erfordert das nachrüsten etwas mehr handwerkliches geschick. Web , schaltplan nebelscheinwerfer, skoda fabia nebelscheinwerfer nachrüsten, fabia 3 nebelscheinwerfer nachrüsten, nebelscheinwerfer schaltplan, pinbelegung. Nebelscheinwerfer nachrüsten manch einer wird sagen, daß es durch die tülle vom blinker leichter ist.

Web Nebelscheinwerfer Nachrüsten Im Gegensatz Zum Wechsel Der Nebelscheinwerfer Erfordert Das Nachrüsten Etwas Mehr Handwerkliches Geschick.


Web , schaltplan nebelscheinwerfer, skoda fabia nebelscheinwerfer nachrüsten, fabia 3 nebelscheinwerfer nachrüsten, nebelscheinwerfer schaltplan, pinbelegung. Die andere klemme des schalters kommt. Web angeschlossen nacht schaltplan masse von der karosserie, gelbes kabel an standlicht und weiß an geschaltenem plus.

Web Relais Nebelscheinwerfer Schaltplan Trabitechnik.com Schaltplan Nebelscheinwerfer Schaltplan Tagfahrlicht Relais Nebelscheinwerfer Nachrüsten Oldtimer.


Web zum einschalten der nebelscheinwerfer führen sie nun ein dünnes kabel (1 mm²) von der klemme 86 an den schalter im armaturenbrett. Web spezifischer kabelsatz zur nachrüstung von hauptscheinwerfern mit integrierten nebelscheinwerfern (nsw) für vw golf 4 iv, bora einfache inbetriebnahme mit. Die kabel führt man entweder durch den scheibenrahmen oder durch.

Sie Orientiert Sich An Der Originalen.


7d0 941 532 q für ca. * zusatzstromlaufplan nsl/nsw, anklicken zum vergrößern! Um die originalen nebelscheinwerfer nachzurüsten ist es als erstes ratsam nachzuschauen, ob bereits ein kabelbaum für die.

Für Den Nebelscheinwerfer War Ein Schalter.


Web hier ist der zusatzstromlaufplan für die nebelscheinwerfer bzw. Falls nebelscheinwerfer nachgerüstet werden, kann es sein, dass die verkabelung noch nicht. Nebelscheinwerfer nachrüsten manch einer wird sagen, daß es durch die tülle vom blinker leichter ist.

Nachdem Die Beiden Zusatzscheinwerfer Montiert Worden Sind, Werden Die Beiden Anschlußkabel Von Den Nebelscheinwerfern.


60 euro), das relais j5, das. Web möchten sie nebelscheinwerfer nachrüsten, gibt es allerdings einige vorgaben, die sie gemäß § 52 abs. Web zuerst werden die neuen scheinwerfer an einer lightbar oberhalb des scheibenrahmen angeschraubt.