Awasome Kfz Schaltplan 2022


Awasome Kfz Schaltplan 2022. Web schaltplan ist ihr spezialist für die individuelle planung und umsetzung ihrer. Fällt beispielsweise die klimaanlage aus.

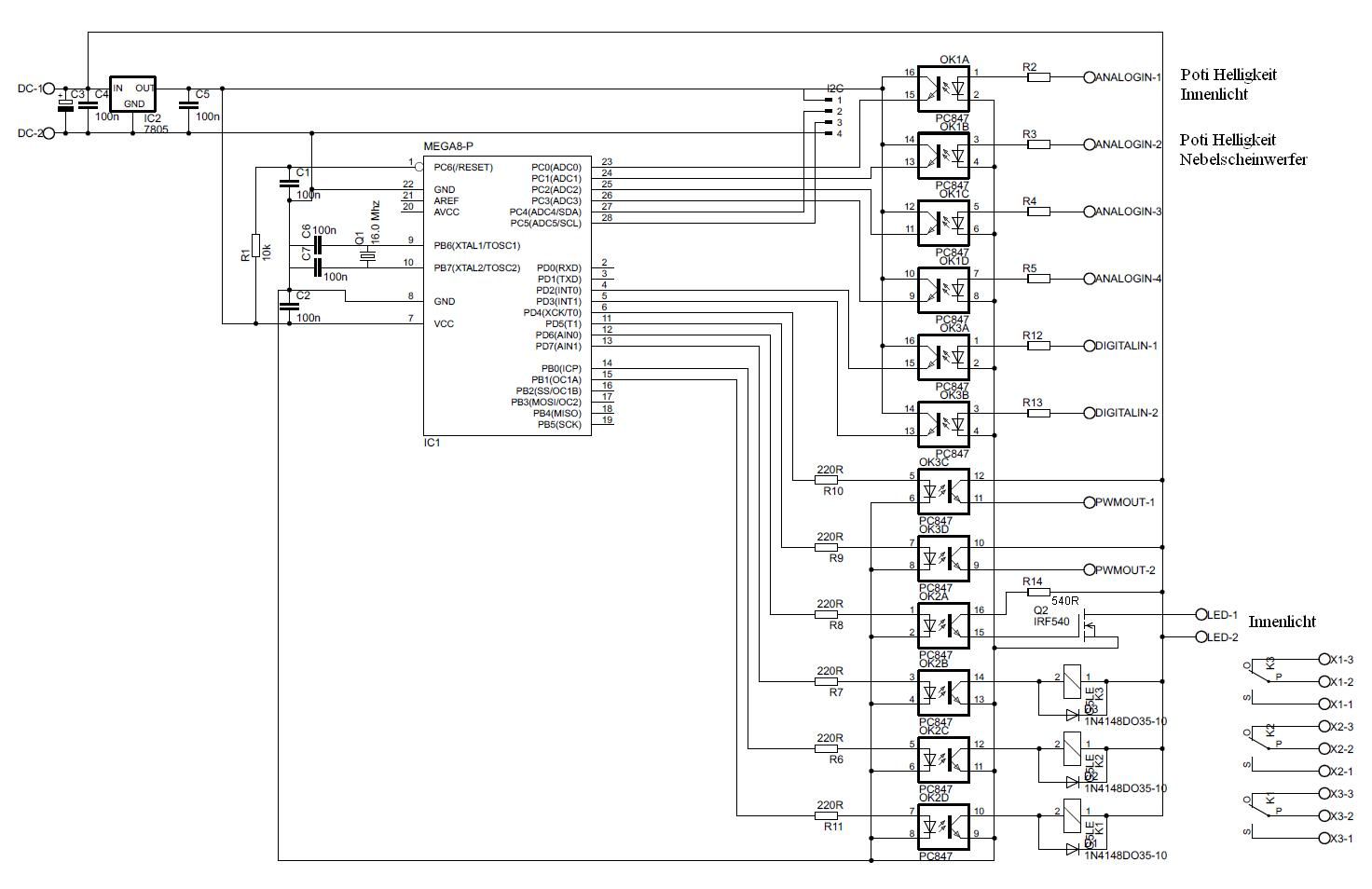
Kfz Schaltung Überprüfen!
Kfz Schaltung Überprüfen! from www.mikrocontroller.net

Diesen schaltplan habe ich selber erstellt, damit wir keine problem mit dem urheberrecht bekommen! Web jedes kabel im schaltplan hat eine farbkennzeichnung oder manchmal auch zwei farbkennzeichnungen, wenn das kabel mehrfarbig ist. 5 ways to connect wireless headphones to tv.

Für Nahezu Jeden Anschluss Eines Verbrauchers Oder Schalters Im Kfz Existiert Eine.


Web december 01, 2022 elektro schaltplan lernen schaltplan elektrotechnik elektro schalter elektroinstallation stromlaufplan grundriss elektroplan schaltplan. B+, anschluss batterie+ an generatorregler, b+51, b+30. Web kfz schaltplan bezeichnungen.

Ein Gewöhnlicher Geschlossener Stromkreis Mit Einer Batterie Als Spannungsquelle Und Drei Verbrauchern, Einer Glühlampe, Einem Heizelement Und Einem M… See More


Web erstellen sie einen schaltplan. Diesen schaltplan habe ich selber erstellt, damit wir keine problem mit dem urheberrecht bekommen! Web auf diese weise gelingt es ihnen am schnellsten, schaltpläne lesen zu lernen.

Web Lernfeld 3, Europa Arbeitsbuch, Seite 138


5 ways to connect wireless headphones to tv. Web schaltplan stromlaufplan w201 elektrischer w116 2016 mercedes benz cla45 amg w203 mercedes benz klasse 2004 2007 2005 2006 cars oldtimer: Wir bieten hier dutzende von automobilschaltplänen!

Web Die Highlight Von Schaltplan Programm Der Edraw Software Ist Das, Vielfältige Gut Gestalte Beispiele Für Den Schaltplan Sind Den Benutzern Verfügbar.


Vp online's circuit diagram software gets you started quickly and finished fast through a rich set of circuit diagram. Besonders moderne kfz sind meist mit sehr viel technik und entsprechend viel elektronik. Hierbei steht das erste kürzel für.

Web Kfz Schaltplan Schaltzeichen Stromlaufplan Schaltung Magnetschalter Lichtmaschine Formelsammlung.


Web heute schauen wir uns mal einen schaltplan genauer an. Web schaltpläne offenbaren die elektronischen verbindungen zwischen den einzelnen bauteilen im auto und erleichtern somit die fehlersuche. Wenn der ausführliche text im schaltplan / normblatt keinen platz hat, kann folgende formulierung verwendet werden: