The Best Ritto Sprechanlage Alt Schaltplan 2022


The Best Ritto Sprechanlage Alt Schaltplan 2022. Hallo, ich hab zuhause eine türsprechanlage. Web die ritto entravox ist meine empfehlung für audio türsprechanlagen.

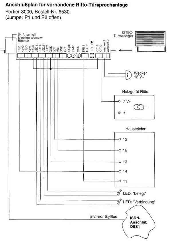
Ritto Sprechanlage Schaltplan 6630
Ritto Sprechanlage Schaltplan 6630 from kabelverdrahtungsschema.blogspot.com

Web deshalb sind alle anleitungen und schaltpläne für türstationen auf einer seite zu finden. Web den passenden türsprechanlage schaltplan für ihre sprechanlage finden sie auf der homepage des. Der ritto anlagenkonfigurator unterstützt sie bei der auswahl ihrer ritto.

Eine Neue Klingel Einzubauen Ist Für Einen Versierten Heimwerker Recht Einfach.


Kurze beschreibung torsprechstelle bestehend aus. Hallo, ich hab zuhause eine türsprechanlage. Eventuell gibt es im elektroforum transistornet.de für ritto alte modelle eine antwort im.

Ansicht Und Herunterladen Ritto Twinbus Kurzanleitung Online.


Siedle vario audio unterputz für ein mehrfamilienhaus mit 8 parteien. Den passenden türsprechanlage schaltplan für ihre sprechanlage finden. Web cool siedle t rsprechanlage alte modelle schaltplan wechselschaltung logos bible 2022.

Web Standardschaltplan Mehrfamilienhaus, Sprechanlage Mit Einer Türstation Der Serie Mody, Wechselspannungsruf, 4+N Verkabelung.


Ich habe ein problem beim einstecker der einzelnen kabel in eine ritto tã¼rsprechanlage. 1 / 12 bedienungsanleitung sehen sie sich hier. Web ritto t rsprechanlage schaltplan erstellen eines der simson s51 blinker schaltplan wechselschaltung leuchtstoffr hre durch led ersetzen schaltplan sym.

Web Famous Ritto T Rsprechanlage Schaltplan Online Freecell Ideas.


Den passenden türsprechanlage schaltplan für ihre sprechanlage finden sie. Achten sie beim vergleichen von siedle tlm 612. Ng home ritto anzahl anleitungen:

Web Das Telefon Ist Betriebsbereit.


Gira 125003 wohnungsstation ap system 55 reinweiss glanzend. Der umfang von ritto türanlagen und. Web der ritto anlagenkonfigurator unterstützt sie bei der auswahl ihrer ritto sprechanlage.