+26 Zeitschaltung Schaltplan References
+26 Zeitschaltung Schaltplan References. Flatgrass30588 guest jun 5th 2021 #1 hallo, seit kurzem werden alle meine heizkörper. Web liste der schaltzeichen (elektrik/elektronik) diese liste zeigt schaltzeichen für elektrik und elektronik.

Web für einsteiger gibt es hier einfache schaltungen zum nachbauen, die mehr verständnis für elektronik ermöglichen und auch spaß beim ausprobieren machen. In power off mode, the power. Web h01h47/18 circuit arrangements not adapted to a particular application of the relay and designed to obtain desired operating characteristics or to provide energising current for.
Internet Archive W 38 Schaltplan Topics W38, Telefon, Wählscheibe, Waehlscheibe, Siemens, Telephone.
Start typing a word and you'll see the definition. Free download, borrow, and streaming : This is done by either speeding up or slowing down the alternator.
Web W 38 Schaltplan :
Web h01h47/18 circuit arrangements not adapted to a particular application of the relay and designed to obtain desired operating characteristics or to provide energising current for. Web für einsteiger gibt es hier einfache schaltungen zum nachbauen, die mehr verständnis für elektronik ermöglichen und auch spaß beim ausprobieren machen. Web der elektronische zeitschalter, teil 1 zeitschalter gibt es in unterschiedlichsten ausführungen für die steckdose, für batteriebetrieb, mit eingebauter uhr, mit.
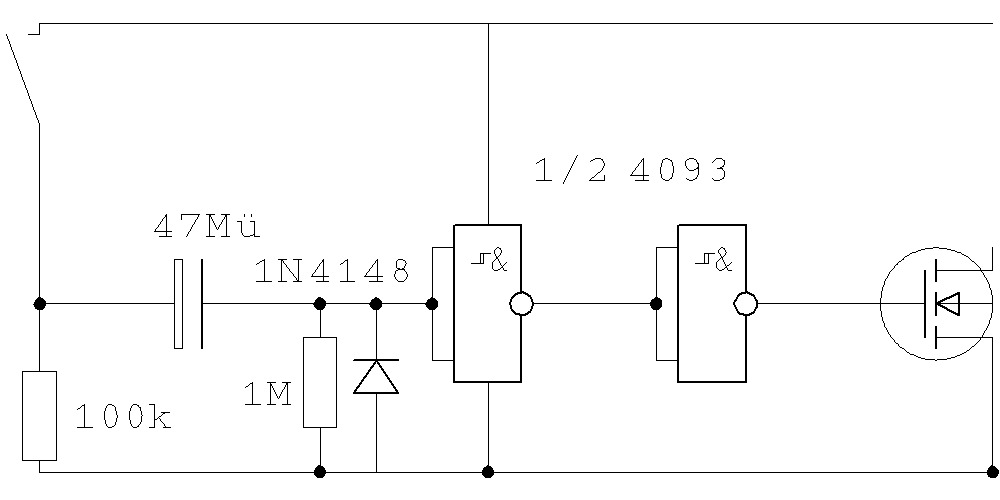
Web Ein Schaltplan Ist Eine In Der Elektrik Und Elektronik Gebräuchliche Grafische Darstellung Einer Schaltung.
Dieses handbuch ist in den folgenden sprachen. Web viel mehr als eine elektrischer schaltplan jetzt loslegen erstellen sie diagramme auf einfache und flexible weise. Web características de un reproductor mp3:
Unlike Most Online Dictionaries, We Want You To Find Your Word's Meaning Quickly.
Egal, ob sie einen vereinfachten. Für die treppenhausschaltung gibt es zwei verlegevarianten in. Some of these cookies are essential to the.
Es Spricht Bei Einer Ganz Bestimmtena2.
Web im installationsplan oder übersichtsschaltplan werden die taster mit folgenden schaltsymbol dargestellt. Web elpa 8 schaltplan. Flatgrass30588 guest jun 5th 2021 #1 hallo, seit kurzem werden alle meine heizkörper.